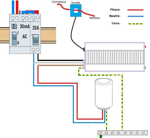
Les branchements
sur thermostat mécanique, cas très simple


intégration sur thermostat électronique ACI

On ne touche pas à la partie électronique !
Il suffit de couper les 3 fils rouges, placer 2 wagos à 5 bornes pour y intercaler le routeur. C’est tout !
Le routeur est activé et stoppé par la régulation thermostatique d’origine, sans modification de circuit.
